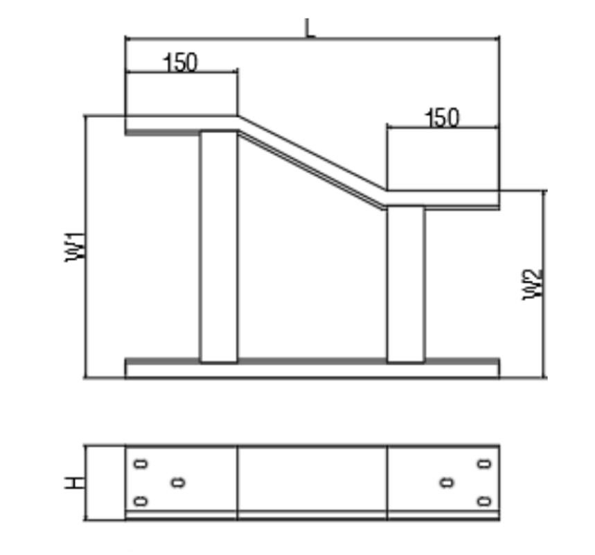
- Kích thước: W:500; H:100; T: 1.5mm (W >= H)
- Bán kính cong: R: 150 mm
- Bề mặt hoàn thiện (F): Sơn tĩnh điện (E), tráng kèm(G), Mạ kẽm nhúng nóng(H)
- Màu tiêu chuẩn: Màu xám (RAL 7035), (Cam RAL2004), (Xanh RAL 5005). Các màu khác có thể cung cấp tuỳ theo yêu cầu khách hàng
- Lưu ý: Thang cáp tiêu chuẩn không bao gồm nắp. Khách hàng phải yêu cầu rõ.
- Lưu Ý Khác: Sản phẩm sử dụng kích thước tiêu chuẩn: (W) rộng 100, 150, 200, 300, 400, 500, 600 - (H) cao 100 - (T) tole dầy 1.5mm - Sơn tĩnh điện (F); còn các kích thước khác, tráng kẽm (G), mạ kẽm nhúng nóng (H),.. xin vui lòng liên hệ để đặt hàng.
Giảm phải thang cáp W500xH100xT1.5mm
Danh mục
- AZE AZE
- MIKRO MIKRO
-
MASTER
MASTER
- Quạt hút, Filter, Bộ ổn nhiệt, Đèn tủ điện, điện trở sưởi Master
- Đồng hồ kỹ thuật số, rơ le bảo vệ, chuyển mạch Master
- Đồng hồ Analog size 96x96 Master
- Đồng hồ Analog size 72x72 Master
- Biến dòng hộp nhựa đúc MBH Master
- Biến dòng hộp nhựa đúc MRT, RCT Master
- Biến dòng băng quấn MR, PR Master
- Biến dòng đo lường, bảo vệ Epoxy Master
- Tụ bù, bộ điều khiển Master
- Cuộn kháng, cuộn kháng lọc sóng hài Master
- Biến áp cách ly Master
- Cầu chì Master
- Gối đỡ, thanh đỡ Busbar, Ống co nhiệt Master
- Đèn báo, nút nhấn Master
-
LIGHTSTAR
LIGHTSTAR
- Biến dòng 1 pha tròn KBJ Lightstar
- Biến dòng 1 pha vuông KBM Lightstar
- Biến dòng khối 3P tròn KBD Lightstar
- Biến dòng khối 3P vuông KBF Lightstar
- Biến dòng kẹp KBC Lightstar
- Đồng hồ analogue metter Lightstar
- Đồng hồ đa năng Lightstar
- Điện trở Shunt Lightstar
- Relay báo dòng rò Lightstar
- Máy biến áp Lightstar
- Bộ điều khiển tụ bù Lightstar
-
SELEC
SELEC
- Bộ điều khiển lấp trình (PLC)
- Bộ điều khiển tụ bù Selec
- Bộ định thời gian
- Bộ hiển thị đa chức năng
- Điều khiển nhiệt độ
- Đồng hồ đo đa chức năng
- Đồng hồ đo điện áp, dòng điện và tấn số
- Đồng hồ đo điện năng
- Đồng hồ tủ điện dạng số dùng dòng điện DC hiểu thị dạng LED
- Đồng hồ tủ điện dạng số hiển thị dạng LCD
- Đồng hồ tủ điện dạng số hiển thị dạng LED
- Rơ le bảo vệ
- DINDAN DINDAN
-
SCHNEIDER
SCHNEIDER
- ACB SCHNEIDER ACB SCHNEIDER
- ATS SCHNEIDER ATS SCHNEIDER
- BIẾN TẦN, KHỞI ĐỘNG MỀM SCHNEIDER BIẾN TẦN, KHỞI ĐỘNG MỀM SCHNEIDER
- BỘ CAM, BỘ HIỂN THỊ SCHNEIDER BỘ CAM, BỘ HIỂN THỊ SCHNEIDER
- BỘ ĐIỀU KHIỂN LẬP TRÌNH PLC SCHNEIDER BỘ ĐIỀU KHIỂN LẬP TRÌNH PLC SCHNEIDER
- BỘ KHỞI ĐỘNG MOTOR, CB BẢO VỆ ĐỘNG CƠ SCHNEIDER BỘ KHỞI ĐỘNG MOTOR, CB BẢO VỆ ĐỘNG CƠ SCHNEIDER
- BỘ NGUỒN SCHNEIDER BỘ NGUỒN SCHNEIDER
- CẢM BIẾN, CÔNG TẮC HÀNH TRÌNH SCHNEIDER CẢM BIẾN, CÔNG TẮC HÀNH TRÌNH SCHNEIDER
- CẦU DAO, CẦU CHÌ SCHNEIDER CẦU DAO, CẦU CHÌ SCHNEIDER
- CẦU ĐẤU DÂY SCHNEIDER CẦU ĐẤU DÂY SCHNEIDER
- CHỐNG SÉT LAN TRUYỀN SCHNEIDER CHỐNG SÉT LAN TRUYỀN SCHNEIDER
- CÔNG TẮC, Ổ CẮM, TỦ ĐIỆN DÂN DỤNG SCHNEIDER CÔNG TẮC, Ổ CẮM, TỦ ĐIỆN DÂN DỤNG SCHNEIDER
- ĐÈN CHIẾU SÁNG SCHNEIDER ĐÈN CHIẾU SÁNG SCHNEIDER
- ĐÈN HIỆU, ĐÈN TẦNG SCHNEIDER ĐÈN HIỆU, ĐÈN TẦNG SCHNEIDER
- ĐO LƯỜNG VÀ QUẢN LÝ HỆ THỐNG ĐIỆN SCHNEIDER ĐO LƯỜNG VÀ QUẢN LÝ HỆ THỐNG ĐIỆN SCHNEIDER
- HỘP ĐIỀU KHIỂN SCHNEIDER HỘP ĐIỀU KHIỂN SCHNEIDER
- KHỞI ĐỘNG TỪ, RỜ LE NHIỆT SCHNEIDER KHỞI ĐỘNG TỪ, RỜ LE NHIỆT SCHNEIDER
- MÀN HÌNH ĐIỀU KHIỂN SCHNEIDER MÀN HÌNH ĐIỀU KHIỂN SCHNEIDER
- MCB SCHNEIDER MCB SCHNEIDER
- MCCB SCHNEIDER MCCB SCHNEIDER
- NÚT NHẤN, ĐÈN BÁO, CÔNG TẮC XOAY SCHNEIDER NÚT NHẤN, ĐÈN BÁO, CÔNG TẮC XOAY SCHNEIDER
- PHÍCH CẮM, Ổ CẮM CÔNG NGHIỆP SCHNEIDER PHÍCH CẮM, Ổ CẮM CÔNG NGHIỆP SCHNEIDER
- RCCB, RCBO SCHNEIDER RCCB, RCBO SCHNEIDER
- RỜ LE BẢO VỆ TRUNG THẾ SCHNEIDER RỜ LE BẢO VỆ TRUNG THẾ SCHNEIDER
- RỜ LE ĐIỀU KHIỂN, GIÁM SÁT SCHNEIDER RỜ LE ĐIỀU KHIỂN, GIÁM SÁT SCHNEIDER
- RỜ LE THỜI GIAN VÀ BỘ ĐẾM SCHNEIDER RỜ LE THỜI GIAN VÀ BỘ ĐẾM SCHNEIDER
- TỤ BÙ, CUỘN KHÁNG, BỘ ĐIỀU KHIỂN TỤ BÙ SCHNEIDER TỤ BÙ, CUỘN KHÁNG, BỘ ĐIỀU KHIỂN TỤ BÙ SCHNEIDER
- TỦ TRUNG THẾ SCHNEIDER TỦ TRUNG THẾ SCHNEIDER
- BỘ ĐIỀU KHIỂN TỤ BÙ BỘ ĐIỀU KHIỂN TỤ BÙ
- SINEXCEL SINEXCEL
- SUNGHO SUNGHO
- TAIWAN METERS TAIWAN METERS
- ABB ABB
-
AUTONICS
AUTONICS
- Bộ đếm Autonics
- Bộ điều khiển nhiệt độ Autonics Bộ điều khiển nhiệt độ Autonics
- Bộ định thì Autonics Bộ định thì Autonics
- Bộ giải mã vòng quay Autonics
- Bộ lập trình Autonics Bộ lập trình Autonics
- Bộ nguồn DC Autonics
- Cảm biến Autonics Cảm biến Autonics
- Công tắc điều khiển, Phụ kiện Autonics Công tắc điều khiển, Phụ kiện Autonics
- Thiết bị đo lường Autonics Thiết bị đo lường Autonics
- CÁP ĐIỆN CÁP ĐIỆN
-
CHINT
CHINT
- ACB CHINT ACB CHINT
- ATS CHINT ATS CHINT
- BIẾN ÁP CHINT
- CHỐNG SÉT LAN TRUYỀN NU6-IIG CHINT
- ĐỒNG HỒ ĐO ĐIỆN, CẦU CHÌ CHINT ĐỒNG HỒ ĐO ĐIỆN, CẦU CHÌ CHINT
- KHỞI ĐỘNG ĐỘNG CƠ, KHỞI ĐỘNG MỀM CHINT KHỞI ĐỘNG ĐỘNG CƠ, KHỞI ĐỘNG MỀM CHINT
- KHỞI ĐỘNG TỪ, RỜ LE NHIỆT CHINT KHỞI ĐỘNG TỪ, RỜ LE NHIỆT CHINT
- MCB CHINT MCB CHINT
- MCCB CHINT MCCB CHINT
- NÚT NHẤN VÀ ĐÈN BÁO CHINT NÚT NHẤN VÀ ĐÈN BÁO CHINT
- RCCB, RCBO CHINT RCCB, RCBO CHINT
- RỜ LE, TIMER CHINT RỜ LE, TIMER CHINT
- TỦ ĐIỆN CĂN HỘ CHINT TỦ ĐIỆN CĂN HỘ CHINT
- CNC CNC
-
HANYOUNG
HANYOUNG
- Bộ chỉnh lưu Bộ chỉnh lưu
- Bộ đếm, Bộ định thời Bộ đếm, Bộ định thời
-
Bộ điều khiển nhiệt độ, độ ẩm
Bộ điều khiển nhiệt độ, độ ẩm
- Analog DF2,DF4
- Analog HY-1000,HY-2000,HY-48D,HY-72D,HY-8000S,HY-8200S
- Bộ điều khiển nhiệt độ VX4
- Bộ hiển thị nhiệt độ AT,BK
- Đa kênh MC9,SM100
- Dạng Mô Đun ML,MT100,BX8
- Hiển thị số AX2,AX3,AX4,AX7,AX9
- Hiển thị số DX2,DX3,DX4,DX7,DX9
- Hiển thị số KX2N,KX3N,KX9N,KX4N,KX7N
- Hiển thị số NX1,NX2,NX3,NX4,NX7,NX9
- Kích thước nhỏ BR6,BR6A,ED6
- TH300,TH500,TH510,TD510,TS510,TD500,NP200
- Bộ đo thông số điện Bộ đo thông số điện
- Bộ ghi, giám sát nhiệt độ Bộ ghi, giám sát nhiệt độ
- Bộ mã hóa vòng quay Bộ mã hóa vòng quay
- Bộ Nguồn Bộ Nguồn
- Cảm biến quang Cảm biến quang
- Cảm biến tiệm cận Cảm biến tiệm cận
- Cảm biến vùng Cảm biến vùng
- Cầu đấu, phụ kiện Cầu đấu, phụ kiện
- Công tắc cẩu trục, bàn đạp, cần gạt Công tắc cẩu trục, bàn đạp, cần gạt
- Công tắc hành trình Công tắc hành trình
- Công tắc nguồn, chính, cam Công tắc nguồn, chính, cam
- Công tắc nút nhấn AR, CR Công tắc nút nhấn AR, CR
- Công tắc nút nhấn DR, MR Công tắc nút nhấn DR, MR
- Đèn báo hiệu Đèn báo hiệu
- Rơ le bán dẫn Rơ le bán dẫn
- HYUNDAI HYUNDAI
-
IDEC
IDEC
- Công tắc xoay Idec Công tắc xoay Idec
- Đèn báo Idec Đèn báo Idec
-
Nút nhấn Idec
Nút nhấn Idec
- Nút dừng khẩn D22
- Nút nhấn D16 có đèn, hình chữ nhật
- Nút nhấn D16 có đèn, loại tròn
- Nút nhấn D16 có đèn, loại vuông
- Nút nhấn D16 không đèn, hình chữ nhật
- Nút nhấn D16 không đèn, loại tròn
- Nút nhấn D16 không đèn, loại vuông
- Nút nhấn D22 có đèn, loại lồi
- Nút nhấn D22 có đèn, loại phẳng
- Nút nhấn D22 không đèn
- Phụ kiện Idec Phụ kiện Idec
- Relay kiếng loại lớn Idec Relay kiếng loại lớn Idec
- Relay kiếng loại tiêu chuẩn, loại nhỏ Idec Relay kiếng loại tiêu chuẩn, loại nhỏ Idec
- Timer Idec Timer Idec
-
LEIPOLE
LEIPOLE
- Bộ ổn nhiệt, độ ẩm, bộ sưởi Bộ ổn nhiệt, độ ẩm, bộ sưởi
- Đèn tủ điện Đèn tủ điện
- Hộp đấu nối cáp Hộp đấu nối cáp
- Hộp tài liệu, gioang của tủ điện Hộp tài liệu, gioang của tủ điện
- Phụ kiện Terminal Phụ kiện Terminal
- Quạt hút tủ điện, lọc bụi Quạt hút tủ điện, lọc bụi
- Terminal, đầu nối cáp- Leipole Terminal, đầu nối cáp- Leipole
- LS LS
-
MITSUBISHI
MITSUBISHI
- ACB- Máy cắt không khí Mitsubishi ACB- Máy cắt không khí Mitsubishi
- MCCB- Cầu dao tự động dang khối - dòng NF Mitsubishi MCCB- Cầu dao tự động dang khối - dòng NF Mitsubishi
- Thiết bị đóng cắt cho động cơ, dòng MMP-32 Mitsubishi
- Rơ le nhiệt
- Cầu dao chống Dòng Rò RCCB RCBO
- Cầu dao chống rò đất ELCB 3P
- Cầu dao chống rò đất ELCB 4P
- Cầu dao tự động MCB, cầu dao cách ly
- Contactor, phụ kiện contactor
- Máy Cắt Hạ Thế ACB Loại Drawout
- Máy Cắt Hạ Thế ACB Loại Fixed
- Phụ Kiện ACB
- Phụ Kiện MCCB, ELCB
- MUNHEAN MUNHEAN
- OMRON OMRON
- Osemco Osemco
- SOCOMEC SOCOMEC
-
TỤ BÙ, CUỘN KHÁNG
TỤ BÙ, CUỘN KHÁNG
- MPE MPE
- OBO
- SIEMENS
- SHIHLIN
-
PHỤ KIỆN TỦ ĐIỆN
PHỤ KIỆN TỦ ĐIỆN
- Máng nhựa tủ điện Máng nhựa tủ điện
- Phụ kiện India
-
Phụ kiện China
Phụ kiện China
- Cosse Bít SC, TL, mũ chụp
- Cosse chỉa trần, phủ nhựa
- Cosse ghim capa cái, đực
- Cosse nối CE, SP
- Cosse nối đồng, đông nhôm
- Cosse pin dẹp, đặc, rỗng
- Cosse tròn trần, phủ nhựa
- Dây gút Inox, phụ kiện thi công
- Dây gút, đế dán, dây xoán, thẻ đeo
- Gối đỡ, thanh đỡ, thanh lược, ray, trung tính
- Ốc xiết cố định nhựa, kim loại
- Ốc xiết cố định PG, M
- Terminal, domino, cầu chì, ống cos
- Thẻ đeo, đánh dấu dây inox
Giảm phải thang cáp W500xH100xT1.5mm
- Mã thiết bị: LRR500x100x1.5
- Thương hiệu: AZE
- Xuất xứ: Việt Nam
- Bảo hành: 12 Tháng
0
Chia sẻ:
Mô tả
Sản phẩm liên quan
0 Thảo luận về Giảm phải thang cáp W500xH100xT1.5mm
Đánh giá Giảm phải thang cáp W500xH100xT1.5mm
